RHEON
株式会社レオンアルミ

〒329-0502 栃木県下野市下古山2963
Tel:0285−52-0301
Fax:0285−52-0302

ロボットベース

>
ロボットベース

Product-Overview

製品概要

ロボットベース開発の原点

レオンアルミの親会社であるレオン自動機は、将来の食品生産ラインに産業用ロボットを導入するため、主に粘着性のある食品(饅頭やクッキーの生地)を掴めるハンドの開発を行っていました。
しかし、その際にロボットのベース部分は都度設計・製作しなければならず、市販品が存在しないという課題がありました。
これに着目し、レオンアルミでは鋳物製のロボットベースの開発を開始しました。

試行錯誤の末に完成した鋳物製ロボットベースは、塗装が不要であり、ロボットの振動を効果的に抑制することが後に実証されました。
この結果、『超モノづくり部品大賞』で奨励賞を受賞し、商品としての価値が高く評価されました。

近年、食品・医薬品・化粧品などの業界では、異物混入によるクレームを避けるために、生産設備の塗装部品が敬遠され、ステンレス製品が主流となっています。
しかし、これによりロボットベースも高価なステンレス製パーツを使用せざるを得ない状況になっています。

レオンアルミ製のオリジナルロボットベースは、このような問題を解決し、さらに振動抑制などの付加価値を持つ「カタログ商品」として提供しています。

今後も市場開拓に力を入れ、お客様に喜ばれる製品作りに邁進してまいります。

バリエーションは3シリーズ9種類

Features

製品の特徴

ロボットベース使用例

ロボットベースは設計製作から市販品を買う時代に

◆設計不要

サイズが標準化されておりカタログ商品としてご活用いただけます。

◆鋳物のポーラス効果で振動を吸収

鋳物には振動を吸収する特性があります。これは、ポーラス構造という鋳物特有の結晶構造に起因すると言われております。
ロボットは高速化・高精度化が進んでいますが、ベースが揺れるとロボット本来の性能を発揮できません。
制振アルミ鋳物ベースは位置決め静定時間の短縮に寄与します。タクトタイムの向上に是非お役立てください。

・検証結果 〔振れ幅〕
アルミ鋳物・・・0.02mm
SUS板金ベース・・・0.06~0.08mm
振動の吸収力効果はステンレスの3倍(当社比)

◆塗装不要

耐腐食性アルミ合金製だから塗装が不要、異物混入の問題があるから鉄製のベースは使いたくないと言うお客さまに最適。

※本品の鋳造用木型は、フレキシブル仕様で製作しており一部形状を変更したい等のご要望にも対応可能です。
特殊仕様(ロボット取り付け部の形状や全高)のご要望はお問い合わせよりご連絡ください。

Specification

仕様一覧

ロボットベース・トール
ロボットベース・トール
トールタイプ
寸法
ロボット取付座面
360mm×360mm
高さバリエーション
750mm / 700mm / 650mm
接地座面
450mm×450mm
ロボット取付タップ
各メーカーのロボットに合わせ都度
タップ加工(ヘリサート挿入)
接地面固定穴径
φ20mm
接地面固定穴ピッチ
390mm×390mm
重量
高さに対し各重量
74kg / 71kg / 68kg
材質
AC7A
耐腐食性と高靱性の特性
を持つアルミ合金
表面仕上
標準仕様
ショットブラスト仕上
オプション仕様
バフ研磨 / アルマイト処理
ロボットベース・トールの技術図面
ロボットベース・トールの技術図面
ロボットベース・ミディアム
ロボットベース・ミディアム
ミディアムタイプ
寸法
ロボット取付座面
360mm×360mm
高さバリエーション
550mm / 450mm
接地座面
450mm×450mm
ロボット取付タップ

 
接地面固定穴径
φ22mm
接地面固定穴ピッチ
395mm×395mm
重量
高さに対し各重量
材質
AC7A
耐腐食性と高靱性の特性
を持つアルミ合金
表面仕上
標準仕様
ショットブラスト仕上
オプション仕様
バフ研磨 / アルマイト処理
ロボットベース・ミディアムの技術図面
ロボットベース・ミディアムの技術図面
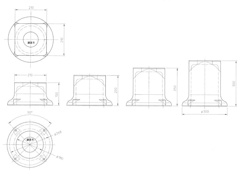
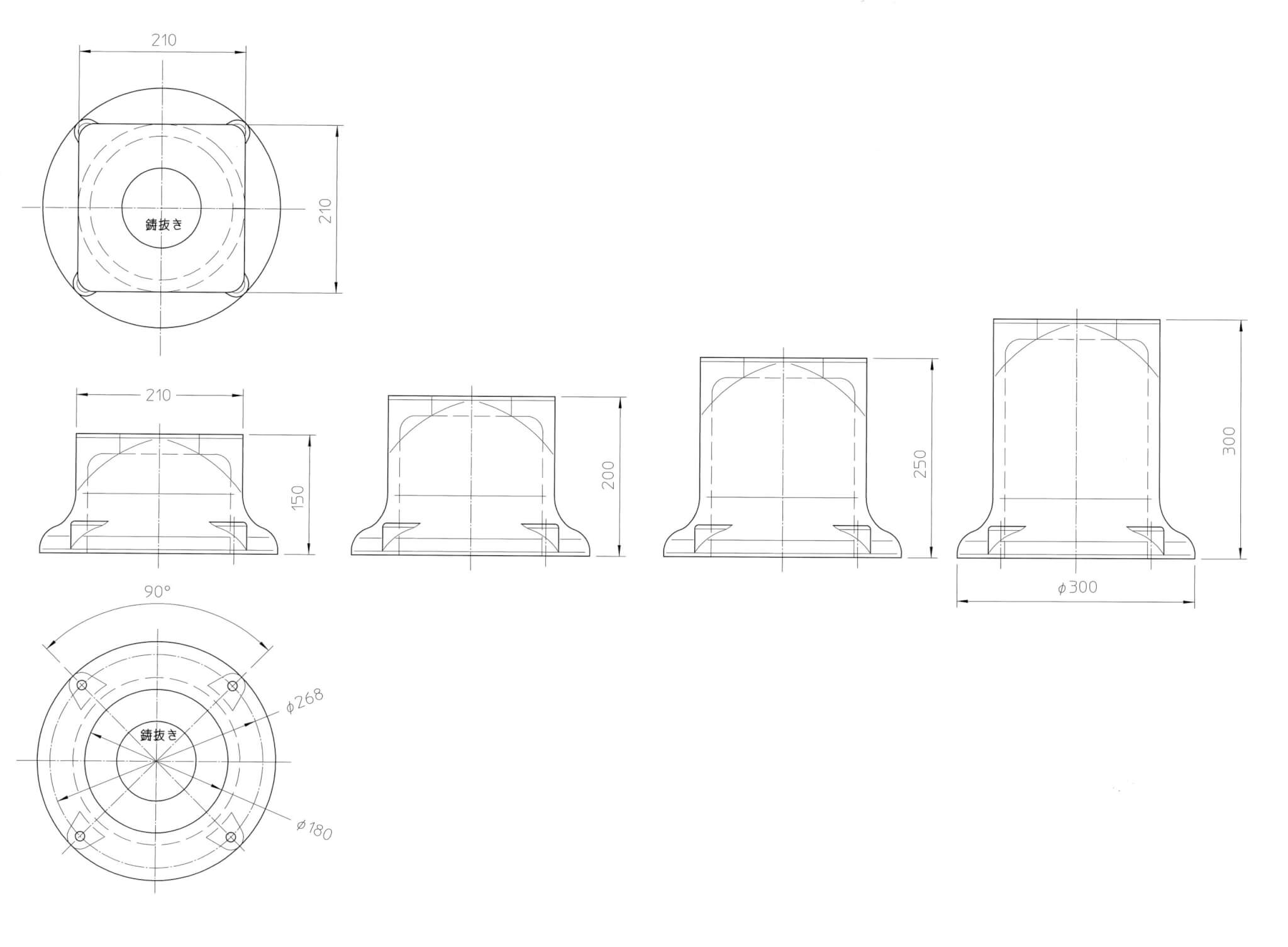
ロボットベース・ミニ
ミニタイプ
寸法
ロボット取付座面
210mm×210mm
高さバリエーション
300mm / 250mm / 200mm / 150mm
接地座面
φ300mm
ロボット取付タップ
各メーカーのロボットに合わせ都度
タップ加工(ヘリサート挿入)
接地面固定穴径
φ12mm
接地面固定穴ピッチ
φ268mm-90°
重量
高さに対し各重量
14.5kg / 13kg / 11.5kg / 10.0kg
材質
AC7A
耐腐食性と高靱性の特性
を持つアルミ合金
表面仕上
標準仕様
ショットブラスト仕上
オプション仕様
バフ研磨 / アルマイト処理 / バレル研磨
ロボットベース・ミニの技術図面
ロボットベース・ミニの技術図面

Compatibility Table

ロボット適合表

ロボットベース・トール&ミディアム

※下記画像をクリックして拡大画像をご覧ください。

ロボットベース・ミニ

※下記画像をクリックして拡大画像をご覧ください。

Movie

説明動画

Download

資料ダウンロード

※下記画像をクリックするとPDFが表示されますので、そちらからダウンロードされてください。

ロボットベースカタログ
ロボットベースカタログ
超ものづくり部品大賞・奨励賞
超ものづくり部品大賞・奨励賞
日本が誇るビジネス大賞
日本が誇るビジネス大賞
上部へスクロール